带式输送机传动装置总体设计案例
摘要
带式输送机传动装置设计属综合性案例,教师在理论教学实践中可作为“一案到底”贯穿案例使用,带式输送机传动装置总体设计是其中案例之一,为机械系统总体设计一般思路和方法的总结归纳提供参考。传动装置的总体设计,主要包括拟订传动方案、选择电动机、确定总传动比和确定各级分传动比,以及计算传动装置的运动和动力参数等,可以为设计各级传动零件和总装图绘制提供依据。
关键词
带式输送机;总体设计;电机选型
案例正文
一、带式输送机的组成分析
随着带式输送机在国民经济各部门中日益广泛的应用,其结构简单、运行平稳可靠、能耗低,对环境污染小、便于集中控制和实现自动化、管理维护方便、在连续装载条件下可实现连续运输等许多优点,越来越被人们深刻理解和认识,因而针对生产需求设计出了通用带式输送机和各种各样的特种带式输送机。虽然它们结构各异,使用场合不同,但工作原理基本相同,大多属于以输送带兼做牵引机构和承载机构的连续运输机械,只是极个别的带式输送机的输送机只作为轴承结构。
带式输送机的主要部件有输送带、驱动装置、张紧装置、机架和托辊、清扫器、装载和卸载裝置。
(1)在带式输送机中,输送带既是承载件又是牵引件,它主要用来承放物料和传递牵引力。它是带式输送机中成本最高(约占输送机造价的40%),又最易磨损的部件。因此,对所选输送带要求强度高、延伸率小、挠性好、本身重量轻、吸水性小、耐磨、耐腐蚀。
(2)驱动装置一般由一个或若干个驱动滚筒、减速器、联轴器等组成。驱动滚筒是传递动力的主要部件,除板式带的驱动滚筒为表面有齿的滚筒外,其他输送带的驱动滚筒通常为直径较大、表面光滑的空心滚筒。滚筒通常用钢板焊接面成,为了增加滚筒和带的摩擦力,有时在表面包上木材、皮革或橡胶。滚筒的宽度比输送带宽,呈鼓形结构,即中部直径稍大,用于自动纠正输送带的跑偏。
(3)在带式输送机中,由于输送带具有一定的延伸率,在拉力作用下,本身长度会增大。这个增加的长度需要得到补偿,否则带与驱动滚筒间会因不能紧密接触而打滑,使输送带无法正常运转。张紧装置的作用是保证输送带具有足够的张力,以便使输送带和驱动滚筒间产生必要的摩擦力以保证输送机正常运转。常用的张紧装置有重锤式和螺旋式,对于输送距离较短的输送机,张紧装置可直接装在输送带的从动滚筒的支承轴上,而对于较长的输送机则需设专用的张紧辊。
(4)带式输送机的机架多用槽钢、角钢和钢板焊接而成。可移式输送机的机架装在滚轮上以便移动。
(5)托辊在输送机中对输送带及上面的物料起承托的作用,使输送带运行平稳。板式带不用托辊,靠板下的导板承托滑行。托辊应尽量做到运动阻力系数小、功率消耗小、结构简单、便于拆装维修、有较高的强度和耐磨性以及良好的密封性能等。
带式输送机由输送带运送物料,由电动机、传动装置、滚筒、输送带组成,如图1所示。由电动机输出动力,传动装置进行减速及传动,滚筒用于给传送带提供动力,再由输送带进行负载和输送物体。传动装置由传动带和减速器组成将电动机的较高转速转化为输送带合适的较低转速。
1-电动机;2-传动装置;3-滚筒;4-输送带
图1 带式输送机传动示意图
二、带式输送机传动方案拟订
传动简图的设计和拟订是设计机器的第一步,其好坏关系总体设计成败或优劣。因此,拟订机器的传动简图时,应从多方面考虑,首先应对设计任务(如原动机类型及特性、工作机构的性能与运动性质、传动系统的类型及各类传动的特性、生产和使用等)做充分的了解,然后根据各类传动的特点,考虑受力、尺寸、制造、经济、使用和维护方便等,拟订不同的方案,并加以分析、对比,择优而定,使拟订的传动方案满足简单、紧凑、经济和高效等要求。
在拟订传动简图时,往往一个传动方案由数级传动组成,通常靠近电动机的传动机构为高速级,靠近执行机构的传动机构为低速级。哪些机构宜放在高速级,哪些机构宜放在低速级,应按下述原则处理:(1)带传动承载能力较低,传递相同转矩时比其他机构的尺寸大,故应将其放在传动系统的高速级,以便获得较为紧凑的结构尺寸,又能发挥其传动平稳、噪声小、能缓冲吸振的特点。(2)斜齿轮传动的平稳性比直齿轮传动的平稳性好,因此在二级圆柱齿轮减速器中,如果既有斜齿轮传动,又有直齿轮传动,则斜齿轮传动应位于高速级。(3)锥齿轮传动应布置在齿轮传动系统的高速级,以减小锥齿轮的尺寸,因为大模数的锥齿轮加工较为困难。(4)开式齿轮传动工作环境较差,润滑条件不良,磨损较严重,使用寿命较短,因此宜布置在传动系统的低速级。(5)蜗杆传动多用于传动比很大、传递功率不太大的情况下。因其承载能力比齿轮传动低,故应将其布置在传动系统的高速级,以获得较小的结构尺寸。蜗杆传动的速度高一些,易于啮合齿面间形成油膜,也有利于提高承载能力及效率。而在对传动精度要求高的装置中,蜗杆传动常布置在低速级,这样,高速级的传动误差被低速级蜗杆传动的大传动比微小化了。(6)链传动的瞬时传动比是变化的,会引起速度波动和动载荷,故不适宜高速运转,应布置在传动系统的低速级。
案例工作条件:使用年限10年,每年工作300天,大修期3年。两班工作制,连续单向运转,载载荷有轻微冲击,室内工作,有粉尘(不考虑工作机效率及支承卷筒轴的轴承效率,运输带速允许误差:土5%)。
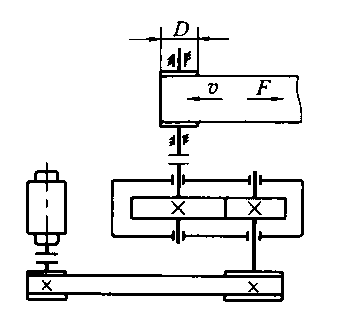
原始数据:滚筒圆周力F=3500N;带速v=1.2m/s;滚筒直径D=350mm。
根据以上条件,考虑齿轮传动具有外廓尺寸小,传动精度高,工作寿命长等优点,经分析比对,本案例带式输送机,其传动装置由一级带传动和单级直齿圆柱齿轮减速器组成,如图
2
所示。
图2带式输送机传动方案
三、电动机的选择
(一)电动机类型的选择
三相交流异步电动机结构简单、价格低廉、维护方便,可用于接于三相交流电网中,因此工业上应用最为广泛,设计师应优先选用。
YE4系列电动机是一般用途的三相交流电动机,具有效率高、性能好、噪声低、振动小等优点,适用于不易燃、不宜爆、无腐蚀性气体和无特殊要求的机械上。
选用Y系列三相异步电动机。
(二)电动机功率选择
1.工作机所需功率
3.5x1.3/1000
式中:F为工作机的阻力,单位:N;v为工作机的线速度,单位:m/s;
2.传动装置的总效率
其中,联轴机
=0,99;球轴承
=0.99;V带传动
;圆柱齿轮传动
。
所以由总效率公式可得
3.电机所需的工作功率
4.电机额定功率
查《机械设计手册》可得
。
(三)确定电动机转速
1.计算工作转速
2.计算电机转速可选范围
传动装置包括V带传动和圆柱齿轮传动,其中带传动比:≤2~4 齿轮传动比:≤3~5,则总传动比:≤6~20,所以电动机转速范围为
。
3.电机转速选择
按设计手册符合这一范围的同步转速有:1000
、750
,根据容量和转速,选同步转速为1000r/min 。
(四)确定电动机型号
根据以上选用的电动机类型,所需的额定功率及同步转速,选定电动机型号为YE4-132M2-6,其主要性能参数见表1。
表1 YE4-132M2-6型电动机主要性能
电动机型号 |
额定功率 |
满载转速 |
轴直径 |
轴长度 |
中心高 |
YE4-132M2-6 |
5.5kW |
970r/min |
38mm |
80mm |
155mm |
四、传动比的分配
(一)计算总传动比
式中,
—电动机满载转速为970r/min,
—卷筒轴工作转速为65.48r/min。
(二)分配各级传动比
五、计算传动装置的运动参数
(一)计算各轴转速
包括电机输出轴、高速轴、低速轴、工作机主轴,单位:r/min。
电动机轴转速
高速轴的转速
低速轴的转速
工作轴的转速
(二)计算各轴的功率
电动机轴的输出功率 
高速轴的输入功率 
低速轴的输入功率 
工作轴的输入功率 
(三)计算各轴扭矩
电动机轴转矩
高速轴的转矩
低速轴的转矩
工作轴的转矩
各轴传动参数见表2。
表2 各轴传动参数数据表
|
电动机轴 |
高速轴 |
低速轴 |
卷筒轴 |
功率P/kW |
5.5 |
5.17 |
4.97 |
4.87 |
转矩T/( ) |
54.15 |
162.88 |
724.97 |
710.38 |
转速n/( ) |
970 |
303.125 |
65.47 |
65.47 |
传动比i |
3.2 |
4.63 |
1 |
效率 |
0.94 |
0.9603 |
0.9801 |
结语
本案例以带式输送机为研究对象,给出其传动装置总体设计方法。根据实际工况条件,完成了传动方案拟定、电机选型、总传动比计算、各级分传动比分配,以及传动装置的运动和动力参数计算等设计步骤。
案例使用说明
【适用课程】
《机械设计》
【适用对象】
机械设计制造及其自动化(含卓越)专业本科生,机械电子工程、车辆工程、智能制造工程及非机类专业本科生。
【教学目标】
1.了解带式输送机的组成。
2.了解带式输送机总体设计和零件设计的过程以及对机器和机械零件的基本要求。
【启发思考题】
1.带式输送机主要有哪几部分组成?各部分的作用是什么?
2.机械系统的总体设计包括哪些内容?设计原则有哪些?
3.合理的传动方案应满足哪些要求?实现设计任务可选用的机构有哪些,各有何优缺点?
4.常用的齿轮减速器有哪几种主要类型?从传动比范围、外廓尺寸、加工制造、适用场合等方面分析各减速器特点,说明所选类型的依据。
5.带传动、齿轮传动、链传动和蜗杆传动等应如何布置?为什么?
6.如何确定电机额定功率?
7.你是如何确定电机转速的?
8.计算传动装置总效率时考虑了哪些效率?效率值是多少?
9.简述高速轴输入功率的计算过程?
10.简述低速轴输入功率的计算过程?
11.你是怎么分配传动比的?考虑了哪些原则?
【关键知识点、能力点】
1.传动方案拟定考虑的因素和内容。
2.电动机类型及其转速的选择。
3.正确计算传动装置在运动传递过程中的传动效率。
4.合理分配各级传动比
【教学建议】
时间安排:
建议穿插在“第二章 机械设计总论”,结合讲授“机器的组成”和“设计机器的一般程序” 章节内容时引入案例,并且“一案到底”贯穿课程后续章节。
组织形式:
学生独立设计,小组分组讨论,教师引导思考。
【理论依据及分析思路】
电机选型时,电机选用的转速越低,传动系统转速相差越小,总传动比减小,传动装置外廓尺寸和重量减小;但是当电机功率不变,转速越低,转矩越大,电机尺寸重量增大,价格提高。因此,确定电动机的转速时,应同时考虑电动机及传动系统的尺寸、重量和价格,使设计合理经济。